柱?鏡
2024-05-14
林樹鑫

柱面鏡是一種非球面透鏡,相比球面鏡,在橫軸上有弧度,而縱軸則沒有弧度。它可以有效減小球差和色差,并具有一維放大功能。柱面鏡主要分為平凸柱面透鏡、平凹柱面透鏡、雙凸柱面透鏡、雙凹柱面透鏡、彎月柱面鏡、柱交柱面鏡和異形類柱面透鏡。
產品介紹
柱?鏡是?維放?應?的理想選擇。球透鏡對?射光在 兩個?向上的作?是對稱的?柱?鏡對?射光只有?個 ?向上的作?。典型的應?是??對柱透鏡實現變形光 束的整形。?對正柱?鏡可以?于準直和圓形化激光? 極管的輸出。另?個可能的應?是?單個柱透鏡將發散 的光束聚焦到探測器陣列上。為了最?化球差,當把光束 聚焦成?條線時應將準直光源從透鏡的曲??射,?要 把線光源準直時應讓線光源從透鏡的平??射。
產品參數
材料 | K9、B270、JGS2 |
焦距(f’) | ±2%@10.6 μnm |
尺?公差 | +0/-0.2m |
中?厚度公差 | ±0.1mm |
中?偏 | 3′ |
光圈 | 3 |
局部光圈 | 0.5 |
表?光潔度 | 60-40 |
通光孔徑 | >90% |
鍍膜 | 400-700nm AR膜 |
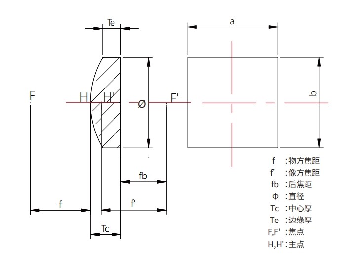
結構圖

常規型號
尺?(mm) | 像?焦距(mm) | 后焦距(mm) | 中?厚度(mm) | 邊緣厚度(mm) | 曲率半徑(mm) |
12.5*25.0 | 12.5 | 10.37 | 3.8 | 1.55 | 9.81 |
12.5*25.0 | 15.0 | 13.21 | 3.2 | 1.40 | 11.77 |
12.5*25.0 | 20.0 | 17.63 | 3.6 | 1.50 | 10.34 |
12.5*25.0 | 25.0 | 23.02 | 3.0 | 1.39 | 12.92 |
12.5*25.0 | 50.0 | 48.68 | 2.0 | 1.23 | 25.84 |
12.5*25.0 | 75.0 | 73.68 | 2.0 | 1.49 | 38.76 |
12.5*25.0 | 100.0 | 98.66 | 2.0 | 1.62 | 51.68 |
12.5*25.0 | 150.0 | 148.68 | 2.0 | 1.75 | 77.52 |
標簽:
柱?鏡