平凹透鏡
產品介紹:平凹透鏡是將平行光向外發散。平凹靜的焦距為負,球差也為負,可用于校正其他透鏡的相差、球差、慧差、畸變。與平凸鏡類似,曲面一側一般對向遠的物面或無窮遠。
- 型 號: 定制
- 規 格: 定制
- 材 料: 光學玻璃
產品介紹:平凹透鏡是將平行光向外發散。平凹靜的焦距為負,球差也為負,可用于校正其他透鏡的相差、球差、慧差、畸變。與平凸鏡類似,曲面一側一般對向遠的物面或無窮遠。
平凹鏡是將平?光向外發散,平凹鏡的焦距為負,球差也為負,可?于校正其他透鏡的相差、球差、彗差、畸變。與平凸鏡類似,曲??側?般對向遠的物?或?窮遠。
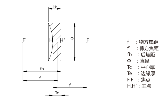
平凹透鏡(Plano Concave Lenses)將一束平行光轉化成發散的光線,發散的光線反向聚焦于平凹透鏡的虛焦點處,焦距為負,其中一面為平面,另一面為凹面。平凹透鏡可從虛焦點處發散一束準直光束,通常用在伽利略型擴束器中。使用時,凹面面向入射光方向,將平面的那一面朝向要處理的焦平面。平凹透鏡具有負焦距和負的球差,可以用來抵消系統中其他透鏡的像差。
直徑(mm) | 聚焦(mm) | 后聚焦(mm) | 中心厚度(mm) | 邊緣厚度(mm) | 曲率半徑(mm) |
9.0 | -27.0 | -28.3 | 2.0 | 2.7 | -13.9 |
12.7 | -25.0 | -27.0 | 3.0 | 4.7 | -12.9 |
12.7 | -30.0 | -32.0 | 3.0 | 4.4 | -15.4 |
12.7 | -50.0 | -52.3 | 3.5 | 4.3 | -25.7 |
25.0 | -75.0 | -77.3 | 3.5 | 5.6 | -38.6 |
25.4 | -50.0 | -52.3 | 3.5 | 6.9 | -25.7 |
25.4 | -75.0 | -77.3 | 3.5 | 5.6 | -38.6 |
25.4 | -100.0 | -102.6 | 4.0 | 5.6 | -51.5 |
50.8 | -100.0 | -102.6 | 4.0 | 10.7 | -51.5 |
25.0 | -150.0 | -125.6 | 4.0 | 8.3 | -77.2 |

?焦距 : ±1%
?厚度公差:±0.02mm
?尺寸公差:±0.02mm
?面型:λ/10
?表面質量:40/20 or better
?偏心:<3arcmin
| 材料 | K9、光學玻璃、紫外?英、氟化鈣等 |
| 焦距(f’) | ±2%@587.6nm |
| 尺?公差 | -0.05~0.1mm |
| 中?厚度公差 | ±0.03~0.1mm |
| 中?偏 | 30″~3′ |
| 光圈 | 1~5 |
| 局部光圈 | 0.2~0.5 |
| 表?光潔度 | 60-40,40-20 |
| 通光孔徑 | >90% |
| 鍍膜 | 增透膜 |
廣泛應用于負透鏡、 成像透鏡、 擴束透鏡、 縮束透鏡、 光束準直透鏡、 發散準直光束、準直發散光束,應用領域:望遠鏡、近視鏡、照相機鏡頭、顯微鏡、放大鏡、光接收器和聚光鏡等。